脱硫废水处理装置及其控制系统与控制方法研究——兼论流量计及节流装置的创新研发
精密轴承NATS15 2Z HW的摩擦学性能优化及其在流量计与节流装置研发中的关键作用
现代化工与制药设备回收及流量测量技术创新
浙江佳为节能科技 聚焦传热设备与流量测量,引领节能研发新趋势
流量计与节流装置 制药设备网第85页产品列表的专业解析与研发趋势
苏州钮曼 以快速、精准、可靠之芯,引领重量选别与流量计量技术革新
河北沧州迅诺仪表 焦炉煤气V锥流量计节流装置的创新研发与应用
制药设备网 流量计与节流装置研发,精准控流保障药品生产
一文了解药筛标准及筛分设备,流量计与节流装置的研发进展
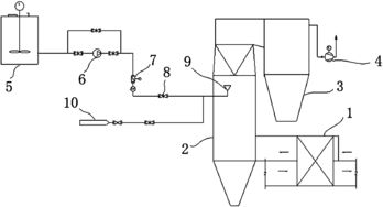
电镀污泥堆肥渗滤液中铬氰离子的高效去除 关键设备与先进工艺的研发进展
污泥床装置与化学混凝污泥悬浮床在含油污水处理中的创新应用及流量计与节流装置的研发进展
聚焦核心技术创新,引领流量测量未来——我们的流量计与节流装置研发之路
流量计与节流装置的研发核心 正确安装是发挥性能的关键
聚焦第107页 化工设备网流量计及节流装置的技术研发新动态
阀产品列表第272页 制药设备网流量计及节流装置研发进展与选型指南
压缩机产品概览与流量计及节流装置的创新研发
智能管道内水处理杀菌灭藻与水循环系统 流量计与节流装置的创新研发与应用
暖通人应知的中央空调系统分类、常用设备功能及流量计与节流装置研发解析
孟州灌装设备产业升级 高性价比灌装机与流量计节流装置的协同创新
QJ300型静电喷涂机与郑州超慧喷涂设备全解析 规格、型号、价格及应用指南
如若转载,请注明出处:http://www.hbybllj.com/product/